77 Kz1000 Alternator Wiring Diagram

Charging Output Low Sooty Plugs Help Kzrider Forum Kzrider

Charging Output Low Sooty Plugs Help Kzrider Forum Kzrider

Wrg 7297 Kz1000 Wiring Diagram

Wrg 7297 Kz1000 Wiring Diagram

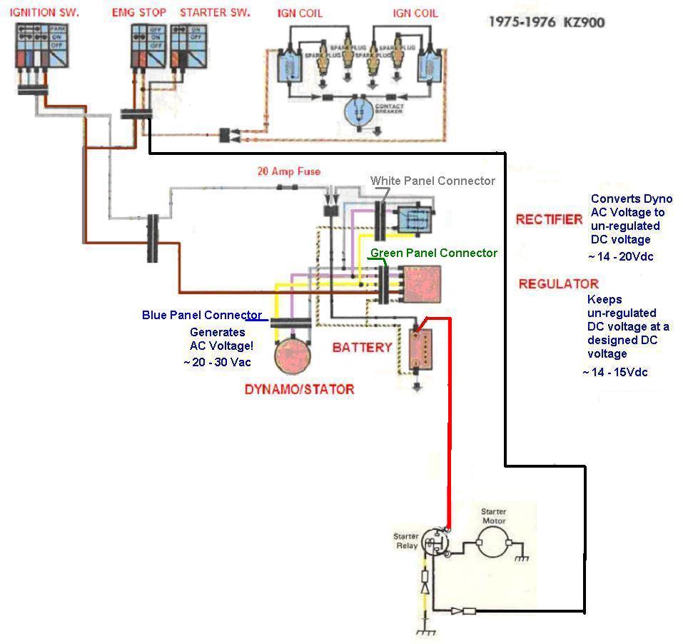
78 Kz650 Strange Wiring Problem Kzrider Forum Kzrider Kz Z1

78 Kz650 Strange Wiring Problem Kzrider Forum Kzrider Kz Z1

Ox 6485 81 Kz440 Wiring Diagram Get Free Image About Wiring

Ox 6485 81 Kz440 Wiring Diagram Get Free Image About Wiring

Nice Ford Alternator Wiring Diagram 1977 Ford Wiring Diagram

Nice Ford Alternator Wiring Diagram 1977 Ford Wiring Diagram

1974 Kz1000 Wiring Diagram Kuiyt Balmoond15 Mooiravenstein Nl

1974 Kz1000 Wiring Diagram Kuiyt Balmoond15 Mooiravenstein Nl

1974 Kz1000 Wiring Diagram Kuiyt Balmoond15 Mooiravenstein Nl

View and download kawasaki kz1100 service manual online.

77 kz1000 alternator wiring diagram. Kz1100 motorcycle pdf manual download. Among all the ford alternator wiring diagrams above this is the most complicated one. Kawasaki kz1000 manuals manuals and user guides for kawasaki kz1000. Great prices and cheap shipping.

Piston ring piston ring groove wear. Also helps to have a friend with a kz so you can compare wiring. Piston ring end gap. Because the ignition can get fed by the alt thru the vm connections.

Ford alternator wiring diagram internal regulator. This diagram will let the alternator charge however because the alt is capable of output idle your vehicle will prob have run on problems. Next time take pictures before changing stuff. Ford efi injector wiring conversion bank firing to independently fired figure a 1990 5 0 ho efi mustang wiring drawing a ford 7 4 idi diesel glo plug controller by bass wiring figure a.

It requires advanced knowledge to fix an alternator with this diagram. Free ford wiring. 1973 1979 ford f series truck wiring diagrams. 77 kawasaki kz1000 wiring diagram color motorcycle wiring diagrams for classic bikes cruisers japanese europian and domestic electrical ternminals connectors and supplies.

Probably the same as kz1000 ltd i m not certain though. Reproduction decals is not affiliated with yamaha kawasaki suzuki honda or any other oem. Piston ring end gap. Or buy a second bike with everything working on it.

It consists of ignition switch fuse panel engine compartment relay box instrument cluster and many more. I just uploaded a 1977 kz1000a wiring diagram to the website. Kz650 info wiring diagrams kz650 wiring diagrams. Feed the alt off the acc terminal then when the ign sw is off the alt ign circuits are isolated.

To eliminate this possibility you need an ign sw w an acc terminal.

1977 Kz400 Wiring Driagram Approval Kzrider Forum Kzrider Kz

1977 Kz400 Wiring Driagram Approval Kzrider Forum Kzrider Kz

1977 Kawasaki Kz200 Wiring Diagram Wiring Diagram

1977 Kawasaki Kz200 Wiring Diagram Wiring Diagram

2bf3f Kz1000 Wiring Diagram Wiring Resources

2bf3f Kz1000 Wiring Diagram Wiring Resources

Picture Ford Alternator Wiring Diagram Internal Regulator 1977

Picture Ford Alternator Wiring Diagram Internal Regulator 1977

10edb9 78 Kz1000 B2 Wiring Schematic Wiring Library

10edb9 78 Kz1000 B2 Wiring Schematic Wiring Library

1973 80 Kawasaki Z1 900 Dohc Kz900 And Kz1000 Parts

1973 80 Kawasaki Z1 900 Dohc Kz900 And Kz1000 Parts

77 Kawasaki Kz1000 Wiring Diagram Wiring Diagram

77 Kawasaki Kz1000 Wiring Diagram Wiring Diagram

1977 Kawasaki Wiring Diagrams Wiring Diagram

1977 Kawasaki Wiring Diagrams Wiring Diagram

838f83 1977 Honda Gl1000 Headlight Wiring Diagram Wiring Resources

838f83 1977 Honda Gl1000 Headlight Wiring Diagram Wiring Resources

1977 1980 Kawasaki Kz1000 Ltd Clymer Repair Manual M359 3 Sixity Com

1977 1980 Kawasaki Kz1000 Ltd Clymer Repair Manual M359 3 Sixity Com

Gm 3 Wire Alternator Idiot Light Hook Up Hot Rod Forum

Gm 3 Wire Alternator Idiot Light Hook Up Hot Rod Forum

17 77 Chevy Truck Wiring Diagram Truck Diagram In 2020 Chevy

17 77 Chevy Truck Wiring Diagram Truck Diagram In 2020 Chevy

Kz1000 Wiring Diagram Basic Wiring Diagram

Kz1000 Wiring Diagram Basic Wiring Diagram

Yl 3429 Thread Regulator Schematic For Cb Cl350 Download Diagram

Yl 3429 Thread Regulator Schematic For Cb Cl350 Download Diagram

Source : google.com

Random Posts